
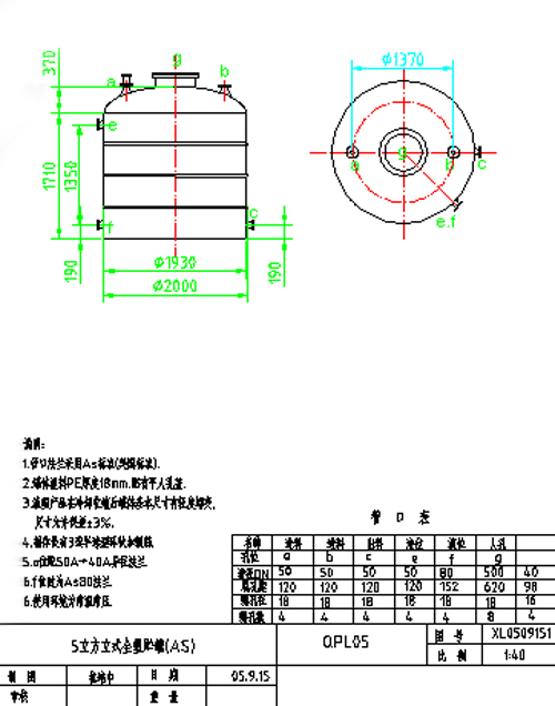
5立方立式全塑儲罐
本頁僅列出有代表性的圖紙,供用戶選型時參考。
本公司產品因模具更新會對規格、外形尺寸進行調整,調整后的規格、外形尺寸恕不通知,請按照訂貨時傳真為準。
您的瀏覽器版本過低,為保證更佳的瀏覽體驗, 請點擊更新高版本瀏覽器
以后再說 X


首頁 ? 產品展示 ? 聚乙烯儲罐、鋼襯塑儲罐參考示意圖
聚乙烯儲罐、鋼襯塑儲罐參考示意圖

5立方立式全塑儲罐
本頁僅列出有代表性的圖紙,供用戶選型時參考。
本公司產品因模具更新會對規格、外形尺寸進行調整,調整后的規格、外形尺寸恕不通知,請按照訂貨時傳真為準。
上一篇:3立方米立式聚乙烯儲罐
下一篇:5立方立式全塑儲罐 圖紙
手機:139-0151-3996 電話:0510-83265522 EMAIL:kunlun@klgy.com
公司地址:江蘇省無錫市石塘灣工業園 版權所有 © 無錫市昆侖塑料有限公司 版權所有
本站關鍵詞:儲罐,鋼襯塑儲罐,聚乙烯儲罐,塑料儲罐,酸堿儲罐,滾塑儲罐,鋼塑復合儲罐,防腐儲罐,化工儲罐
備案號:
蘇ICP備05036659號 技術支持:無錫網站制作 網站地圖 免責聲明